Oczka ze stali nierdzewnej
  • Oczka ze stali nierdzewnej Oczka ze stali nierdzewnej

Oczka ze stali nierdzewnej

Nuote Metals jest jednym z wiodących pionierów w produkcji oczek ze stali nierdzewnej w Chinach. Oczka ze stali nierdzewnej są wykonane z blachy ze stali nierdzewnej i zapewniają doskonałą odporność na korozję w porównaniu do oczek stalowych, dzięki czemu idealnie nadają się do zastosowań narażonych na wilgoć lub trudne warunki.

Wyślij zapytanie

Opis produktu

Wprowadzenie oczek ze stali nierdzewnej


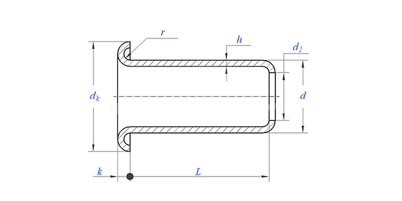
Oczka ze stali nierdzewnej to okrągłe metalowe łączniki, które służą do wzmacniania wstępnie wyciętych otworów w tkaninie i innych miękkich materiałach. Wykonane są z jednego kawałka materiału, który wkłada się do otworu, a następnie ściska za pomocą narzędzia ręcznego lub maszyny, aby trwale zabezpieczyć metalowe oczko.


stainless steel eyelets


zastosowanie oczek ze stali nierdzewnej pokazuje:


stainless steel eyelets 

Parametr produktu (specyfikacja)


Tworzywo

stal nierdzewna

Obróbka powierzchniowa

Czyste, cynkowane, niklowane, srebrzone na zamówienie

Certyfikat

Zgodny z Rohs

Średnica trzpienia

0,8-10 mm

Tolerancja

+/-0,05 mm

Aplikacja

 Nadaje się do stosowania w różnych gałęziach przemysłu, m.inmotoryzacja, lotnictwo, elektryka i elektronika itp.

Kontrola jakości

100% kontrola całego asortymentu poprzez produkcję zapewnia, że ​​każdy produkt spełnia normę ISO, gwarantując produkty wysokiej jakości.



Cecha produktu i zastosowanie


Oczka ze stali nierdzewnej to metalowe łączniki używane do wzmacniania otworów i zakrywania otworów o ostrych krawędziach w metalu i plastiku. są szeroko stosowane do odzieży, obuwia, plandek, oznakowań i banerów, żagli, flag, zasłon prysznicowych i wielu innych zastosowań.


oczka ze stali nierdzewnej Szczegóły produkcji


stainless steel eyelets


Informacje o pakowaniu


stainless steel eyelets


Często zadawane pytania:


P1: Jakie jest Twoje MOQ dla oczek ze stali nierdzewnej?

MOQ dla nitów wynosi 20 000 sztuk.


P2: Czy możesz dostosować krawiectwo za pomocą naszego rysunku?

Tak, większość naszych oczek jest wykonywana na wymiar według rysunku klienta.


P3: Czy możesz dostarczyć bezpłatne próbki nitów oczkowych?

Możemy dostarczyć bezpłatne próbki dla rozmiaru, który mamy w magazynie, ale klienci zapłacą opłaty ekspresowe.


P4: Jaki jest Twój czas dostawy?

Rozmiar nitów w magazynie: 3-5 dni, Nity niestandardowe: 15-25 dni. Dostarczymy tak szybko, jak to możliwe, z gwarancją jakości.


P5: Jakość Twoich produktów?

Firma posiada zaawansowany sprzęt do produkcji i testowania. Każdy produkt zostanie w 100% sprawdzony przez nasz dział kontroli jakości przed wysyłką.


P6: Dlaczego wybieramy technologię Nuote?

1. Nuote szanujemy warunki klienta, aby chronić projekty dotyczące prywatności klientów.

2. Wysoka jakość w atrakcyjnej cenie

3. Szybki czas realizacji

4. Szczęśliwa transakcja i uczciwość wobec klienta i partnera

5. Profesjonalna reklama sprzedaży odpowie na Twoje zapytanie w ciągu 8 godzin.

6. Produkty i usługi Nuote są sprzedawane do ponad 70 krajów cieszących się dobrą reputacją




Gorące Tagi: Oczka ze stali nierdzewnej
Powiązana kategoria
Wyślij zapytanie
Prosimy o przesłanie zapytania w poniższym formularzu. Odpowiemy ci w ciągu 24 godzin.
X
Używamy plików cookie, aby zapewnić lepszą jakość przeglądania, analizować ruch w witrynie i personalizować zawartość. Korzystając z tej witryny, wyrażasz zgodę na używanie przez nas plików cookie. Polityka prywatności