Oczka ze stali nierdzewnej 316

Oczka ze stali nierdzewnej 316

W naszym zakładzie w Dongguan firma Nuote Metals produkuje trwałe oczka ze stali nierdzewnej 316. Materiał ten jest wyjątkowy, ponieważ jest bardzo odporny na rdzę. Od wielu lat produkujemy oczka ze stali nierdzewnej 316. Te oczka są mocne i mogą trwać długo. Wykonujemy je w różnych rozmiarach. Niektóre są małe dla delikatnych produktów. Niektóre są duże i przystosowane do ciężkich zastosowań. Każde oczko ze stali nierdzewnej 316 jest sprawdzane przez nasz zespół. Zapewniają, że każdy element jest gładki i czysty. Wielu klientów wybiera nasze oczka ze stali nierdzewnej 316. Liczą na jakość i trwałość. Możemy dostarczyć próbki w ciągu kilku dni.

Wyślij zapytanie

Opis produktu

Wprowadzenie oczek ze stali nierdzewnej 316

Oczka ze stali nierdzewnej 316 wykonane są ze stali wysokiej jakości. Stal ta zawiera molibden. Dzięki temu oczka ze stali nierdzewnej 316 są lepiej odporne na korozję. Nie rdzewieją w słonej wodzie i wilgotnym powietrzu. Oczka te są również wytrzymałe pod naciskiem. Nie wyginają się ani nie łamią łatwo. Do produkcji oczek ze stali nierdzewnej 316 używamy precyzyjnych maszyn. Maszyny tną i kształtują stal w idealne pierścienie. Następnie polerujemy każde oczko ze stali nierdzewnej 316. Dzięki temu mają ładne wykończenie i gładkie krawędzie.


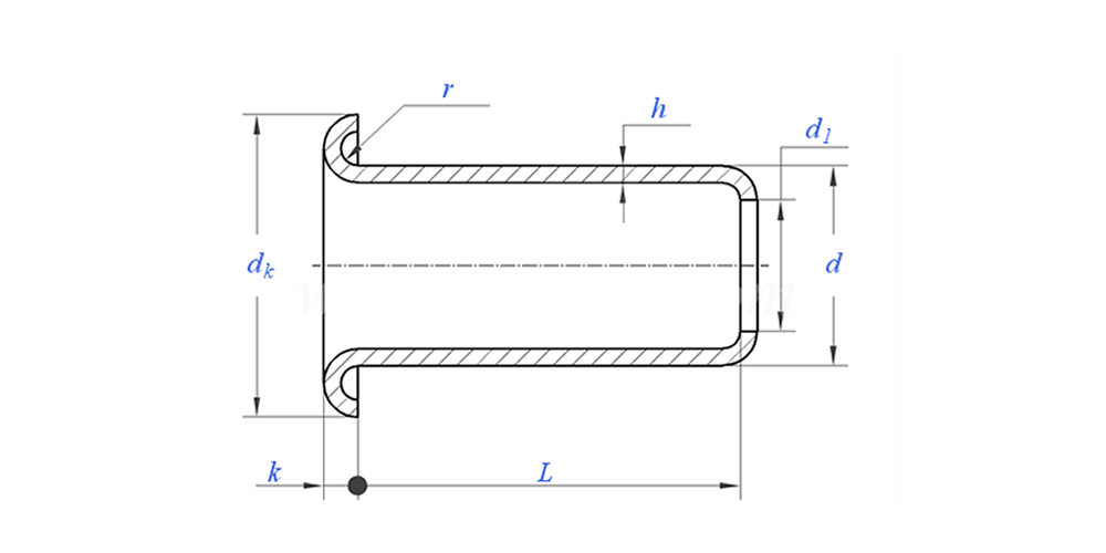
Rysunek oczek ze stali nierdzewnej 316 jak poniżej:

Parametr oczek ze stali nierdzewnej 316 (specyfikacja)



Tworzywo stal nierdzewna
Obróbka powierzchniowa Czyste, cynkowane, niklowane, srebrzone na zamówienie
Certyfikat Zgodny z Rohs
Średnica trzpienia 0,8-10 mm
Tolerancja +/-0,05 mm
Aplikacja Nadaje się do stosowania w różnych gałęziach przemysłu, w tym motoryzacyjnym, lotniczym, elektrycznym i elektronicznym itp.
Kontrola jakości 100% kontrola całego asortymentu poprzez produkcję zapewnia, że ​​każdy produkt spełnia normę ISO, gwarantując produkty wysokiej jakości.


Oczka ze stali nierdzewnej 316 – funkcja i zastosowanie

Oczka ze stali nierdzewnej 316 są używane w trudnych warunkach. Używają ich łodzie i sprzęt morski ze względu na słoną wodę. Oprawy zewnętrzne wykorzystują je przy każdej pogodzie. Zakłady chemiczne czasami ich potrzebują ze względu na swoją odporność. Urządzenia do przetwarzania żywności również mogą z nich korzystać. Wysokiej jakości sprzęt outdoorowy wymaga tych oczek. Nawet projekty architektoniczne wykorzystują oczka ze stali nierdzewnej 316 do dekoracji i funkcjonalności. Wybiera się je tam, gdzie zwykłe oczka mogłyby zardzewieć. Nasi klienci polegają na naszych oczkach ze stali nierdzewnej 316 w ważnych zastosowaniach. Wiedzą, że te oczka będą dobrze działać i dobrze wyglądać przez lata. Jesteśmy dumni, że tutaj, w Dongguan, produkujemy tak niezawodne produkty.


Szczegóły oczek ze stali nierdzewnej 316


Często zadawane pytania:

P1: Jakie jest Twoje MOQ dla oczek ze stali nierdzewnej 316?

MOQ dla nitów wynosi 20 000 sztuk.


P2: Czy możesz dostosować krawiectwo za pomocą naszego rysunku?

Tak, większość naszych nitów rurowych jest wykonywana na wymiar według rysunku klienta.


P3: Czy możesz dostarczyć bezpłatne próbki pustych nitów?

Możemy dostarczyć bezpłatne próbki dla rozmiaru, który mamy w magazynie, ale klienci zapłacą opłaty ekspresowe.


P4: Jaki jest Twój czas dostawy?

Rozmiar nitów w magazynie: 3-5 dni, Nity niestandardowe: 15-25 dni. Dostarczymy tak szybko, jak to możliwe, z gwarancją jakości.


P5: Jakość Twoich produktów?

Firma posiada zaawansowany sprzęt do produkcji i testowania. Każdy produkt zostanie w 100% sprawdzony przez nasz dział kontroli jakości przed wysyłką.


P6: Dlaczego wybieramy technologię Nuote?

1. Nuote szanujemy warunki klienta, aby chronić projekty dotyczące prywatności klientów.

2. Wysoka jakość w atrakcyjnej cenie

3. Szybki czas realizacji

4. Szczęśliwa transakcja i uczciwość wobec klienta i partnera

5. Profesjonalna reklama sprzedaży odpowiada na Twoje zapytanie w ciągu 8 godzin.

6. Produkty i usługi Nuote są sprzedawane do ponad 70 krajów cieszących się dobrą reputacją

Gorące Tagi: Oczka ze stali nierdzewnej 316, oczka SUS316L, chińskie oczka ze stali nierdzewnej
Powiązana kategoria
Wyślij zapytanie
Prosimy o przesłanie zapytania w poniższym formularzu. Odpowiemy ci w ciągu 24 godzin.
X
Używamy plików cookie, aby zapewnić lepszą jakość przeglądania, analizować ruch w witrynie i personalizować zawartość. Korzystając z tej witryny, wyrażasz zgodę na używanie przez nas plików cookie. Polityka prywatności