Oczka SS

Oczka SS

Jesteśmy Nuote Metals z Dongguan. Nasza fabryka codziennie produkuje mocne oczka ze stali nierdzewnej. SS oznacza stal nierdzewną. Te oczka ze stali nierdzewnej nie rdzewieją łatwo. Do ich wykonania używamy dobrej stali nierdzewnej. Nasze oczka SS są dostępne w różnych rozmiarach. Niektóre są małe i przeznaczone na lekkie przedmioty. Niektóre są duże i przystosowane do intensywnego użytkowania. Każde oczko SS jest sprawdzane przez nasz zespół. Patrzą na wykończenie i kształt. Wielu klientów wybiera nasze oczka SS. Lubią, gdy są trwałe i błyszczące. Możemy szybko wykonać próbki do nowych zamówień.

Wyślij zapytanie

Opis produktu

Wprowadzenie do oczek SS

Oczka SS to metalowe pierścienie wykonane ze stali nierdzewnej. Wzmacniają dziury w materiałach. Te oczka SS sprawdzają się dobrze w wilgotnych miejscach. Deszcz i wilgoć im nie szkodzą. Zachowują swoją siłę przez lata. Do montażu oczek SS potrzebna jest prasa. Maszyna wbija w materiał oczko SS. Wtedy siedzi mocno i nie rusza się. Dzięki temu produkty są gotowe na trudne warunki.


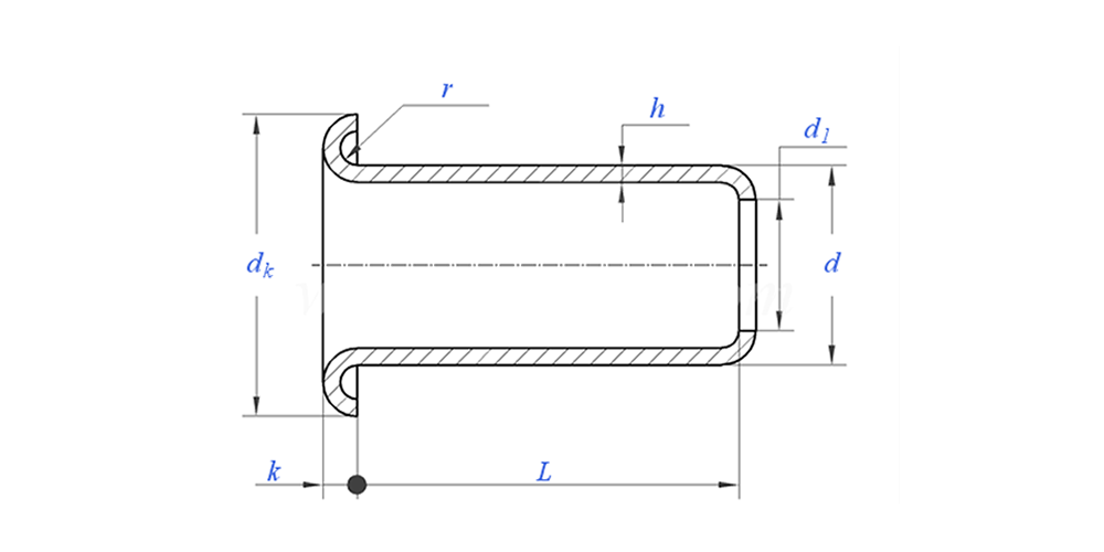
rysunek jak poniżej:


Parametr oczek SS (specyfikacja)


Tworzywo stal nierdzewna
Obróbka powierzchniowa Czyste, cynkowane, niklowane, srebrzone na zamówienie
Certyfikat Zgodny z Rohs
Średnica trzpienia 0,8-10 mm
Tolerancja +/-0,05 mm
Aplikacja Nadaje się do stosowania w różnych gałęziach przemysłu, w tym motoryzacyjnym, lotniczym, elektrycznym i elektronicznym itp.
Kontrola jakości 100% kontrola całego asortymentu poprzez produkcję zapewnia, że ​​każdy produkt spełnia normę ISO, gwarantując produkty wysokiej jakości.



Funkcja i zastosowanie oczek SS

Oczka SS są używane w wielu rzeczach. Sprzęt zewnętrzny, taki jak namioty, wykorzystuje oczka ze stali nierdzewnej do lin. Torby i buty potrzebują ich do sznurówek i pasków. Zasłony kuchenne czasami mają również oczka z SS. W ubraniach roboczych i mundurach zastosowano oczka ze stali nierdzewnej, które zapewniają trwałość. Łodzie i przedmioty morskie wymagają oczek ze stali nierdzewnej, ponieważ są odporne na słoną wodę. Nawet niektóre narzędzia i sprzęt wykorzystują oczka ze stali nierdzewnej. Dzięki tym oczkom produkty pozostają mocne i schludne. Nasi klienci ufają naszym oczom ze stali nierdzewnej w swoich projektach. Wiedzą, że te oczka nie rdzewieją ani nie pękają. Jesteśmy dumni, że możemy produkować dobre oczka SS tutaj, w Dongguan.


Szczegóły oczek SS

Informacje dotyczące pakowania oczek SS

Często zadawane pytania:

P1: Jakie jest Twoje MOQ dla oczek ze stali nierdzewnej?

MOQ dla nitów wynosi 20 000 sztuk.


P2: Czy możesz dostosować krawiectwo za pomocą naszego rysunku?

Tak, większość naszych nitów rurowych jest wykonywana na wymiar według rysunku klienta.


P3: Czy możesz dostarczyć bezpłatne próbki pustych nitów?

Możemy dostarczyć bezpłatne próbki dla rozmiaru, który mamy w magazynie, ale klienci zapłacą opłaty ekspresowe.


P4: Jaki jest Twój czas dostawy?

Rozmiar nitów w magazynie: 3-5 dni, Nity niestandardowe: 15-25 dni. Dostarczymy tak szybko, jak to możliwe, z gwarancją jakości.


P5: Jakość Twoich produktów?

Firma posiada zaawansowany sprzęt do produkcji i testowania. Każdy produkt zostanie w 100% sprawdzony przez nasz dział kontroli jakości przed wysyłką.


P6: Dlaczego wybieramy technologię Nuote?

1. Nuote szanujemy warunki klienta, aby chronić projekty dotyczące prywatności klientów.

2. Wysoka jakość w atrakcyjnej cenie

3. Szybki czas realizacji

4. Szczęśliwa transakcja i uczciwość wobec klienta i partnera

5. Profesjonalna reklama sprzedaży odpowiada na Twoje zapytanie w ciągu 8 godzin.

6. Produkty i usługi Nuote są sprzedawane do ponad 70 krajów cieszących się dobrą reputacją


Gorące Tagi: Oczka SS, fabryka oczek w Chinach, producent oczek SS
Powiązana kategoria
Wyślij zapytanie
Prosimy o przesłanie zapytania w poniższym formularzu. Odpowiemy ci w ciągu 24 godzin.
X
Używamy plików cookie, aby zapewnić lepszą jakość przeglądania, analizować ruch w witrynie i personalizować zawartość. Korzystając z tej witryny, wyrażasz zgodę na używanie przez nas plików cookie. Polityka prywatności