Oczka do olejarki

Oczka do olejarki

Oczka do olejarek ze stali nierdzewnej to specjalne małe pierścienie stosowane w olejarkach. Ich nazwa wzięła się od ich klasycznego zastosowania w tradycyjnych puszkach po oleju. Nuote Metals w Dongguan w Chinach produkuje niezawodne oczka do olejarek ze stali nierdzewnej o różnych rozmiarach.

Wyślij zapytanie

Opis produktu

Wprowadzenie oczek do puszek olejowych

Te oczka do pojemników na olej są wykonane z jednego kawałka stali nierdzewnej. Dzięki temu są mocne i odporne na rdzę, co jest bardzo ważne dla długotrwałego użytkowania. Konstrukcja obejmuje wydrążony środek i wstępnie uformowany rowek. Ten rowek ułatwia bezpieczne zaciśnięcie oczek olejarki w blaszanym otworze bez większego wysiłku. Instalacja jest szybka i tworzy szczelne i trwałe uszczelnienie.


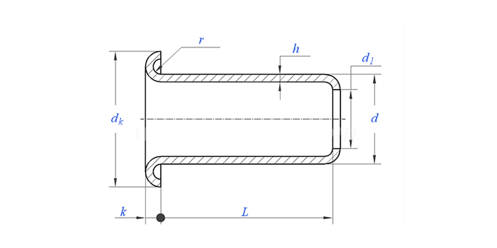
Rysunek oczek na olejarkę jak poniżej:

Zastosowanie oczek do olejarki pokazuje:

Parametr oczek olejarki (specyfikacja)


Tworzywo Stal nierdzewna 304
Obróbka powierzchniowa Czyste, cynkowane, niklowane, srebrzone na zamówienie
Certyfikat Zgodny z Rohs
Średnica trzpienia 0,8-10 mm
Tolerancja +/-0,05 mm
Aplikacja Nadaje się do stosowania w różnych gałęziach przemysłu, w tym motoryzacyjnym, lotniczym, elektrycznym i elektronicznym itp.
Kontrola jakości

100% kontrola całego asortymentu poprzez produkcję zapewnia, że ​​każdy produkt spełnia normę ISO, gwarantując produkty wysokiej jakości.


Funkcja i zastosowanie oczek do puszek olejowych

Te oczka na olejarkę znajdziesz tam, gdzie są najbardziej potrzebne: na dziobku olejarki. Tworzą gładki, wzmocniony otwór, przez który przepływa olej. Ta prosta część sprawia, że ​​użycie puszki jest łatwiejsze i czystsze. Sprawia również, że wylewka jest znacznie mocniejsza, więc nie ulega łatwemu zużyciu. Bez dobrego oczka do pojemnika na olej metalowa krawędź może stać się szorstka i spowodować wycieki. Dlatego ta mała część jest tak ważna dla niezawodnej olejarki.


oczka do olejarki Szczegóły produkcji

Informacje o pakowaniu


Często zadawane pytania:

P1: Jakie jest Twoje MOQ dla oczek do puszek z olejem?

MOQ dla nitów wynosi 20 000 sztuk.


P2: Czy możesz dostosować krawiectwo za pomocą naszego rysunku?

Tak, większość naszych nitów rurowych jest wykonywana na wymiar według rysunku klienta.


P3: Czy możesz dostarczyć bezpłatne próbki pustych nitów?

Możemy dostarczyć bezpłatne próbki dla rozmiaru, który mamy w magazynie, ale klienci zapłacą opłaty ekspresowe.


P4: Jaki jest Twój czas dostawy?

Rozmiar nitów w magazynie: 3-5 dni, Nity niestandardowe: 15-25 dni. Dostarczymy tak szybko, jak to możliwe, z gwarancją jakości.


P5: Jakość Twoich produktów?

Firma posiada zaawansowany sprzęt do produkcji i testowania. Każdy produkt zostanie w 100% sprawdzony przez nasz dział kontroli jakości przed wysyłką.


P6: Dlaczego wybieramy technologię Nuote?

1. Nuote szanujemy warunki klienta, aby chronić projekty dotyczące prywatności klientów.

2. Wysoka jakość w atrakcyjnej cenie

3. Szybki czas realizacji

4. Szczęśliwa transakcja i uczciwość wobec klienta i partnera

5. Profesjonalna reklama sprzedaży odpowie na Twoje zapytanie w ciągu 8 godzin.

6. Produkty i usługi Nuote są sprzedawane do ponad 70 krajów cieszących się dobrą reputacją





Gorące Tagi: Oczka do olejarki, oczka do pojemnika z olejem, oczka ze stali nierdzewnej do pojemnika z olejem
Powiązana kategoria
Wyślij zapytanie
Prosimy o przesłanie zapytania w poniższym formularzu. Odpowiemy ci w ciągu 24 godzin.
X
Używamy plików cookie, aby zapewnić lepszą jakość przeglądania, analizować ruch w witrynie i personalizować zawartość. Korzystając z tej witryny, wyrażasz zgodę na używanie przez nas plików cookie. Polityka prywatności