Oczka PCB

Oczka PCB

Oczka PCB to małe metalowe pierścienie przeznaczone do montażu na płytce drukowanej. Może to wyglądać prosto, ale odgrywa ważną rolę. Ludzie używają ich do tworzenia mocnych i niezawodnych otworów w płytce PCB. Ten mały element pomaga mieć pewność, że połączenia nie ulegną uszkodzeniu podczas montażu lub użytkowania. Nuote Metals chętnie pomoże Ci dowiedzieć się więcej na temat oczek do PCB.

Wyślij zapytanie

Opis produktu

Wprowadzenie oczek PCB

Głównym zadaniem oczka PCB jest wzmocnienie otworu. Zwykle jest wykonany z mosiądzu i często pokryty cyną lub lutem. Ułatwia to lutowanie do niego elementów. Po wciśnięciu w płytkę oczko PCB wzmacnia otwór, zapobiegając pęknięciom ścieżki miedzianej. Działa jak trwała osłona chroniąca delikatny materiał płytki drukowanej.


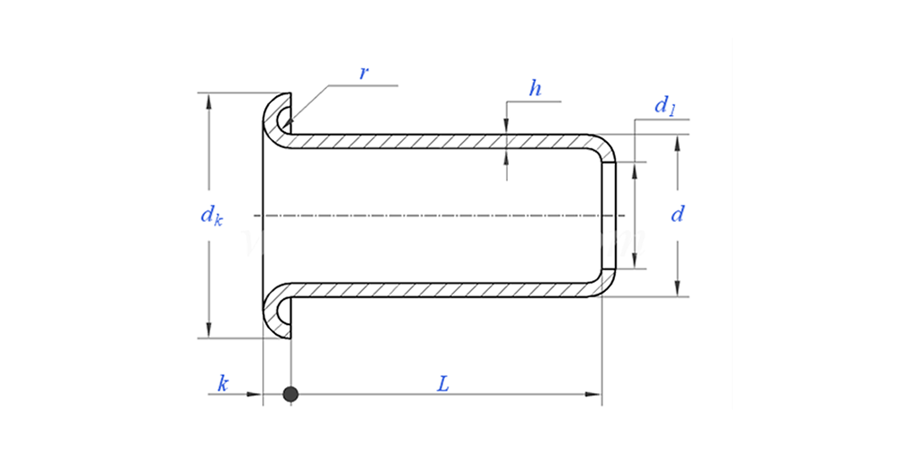
Rysunek oczek PCB jak poniżej:

Parametr oczek PCB (specyfikacja)



Tworzywo Mosiądz
Obróbka powierzchniowa Czyste, cynkowane, niklowane, srebrzone na zamówienie
Certyfikat Zgodny z Rohs
Średnica trzpienia 0,8-10 mm
Tolerancja +/-0,05 mm
Aplikacja Nadaje się do stosowania w różnych gałęziach przemysłu, w tym motoryzacyjnym, lotniczym, elektrycznym i elektronicznym itp.
Kontrola jakości 100% kontrola całego asortymentu poprzez produkcję zapewnia, że ​​każdy produkt spełnia normę ISO, gwarantując produkty wysokiej jakości.



Zastosowanie oczek PCB pokazuje:


Funkcja i zastosowanie oczek PCB

Znajdziesz oczka PCB stosowane w wielu produktach elektronicznych. Idealnie nadają się do miejsc wymagających mocnego punktu połączenia, takich jak transformator lub duża noga komponentowa. Oczko na płytkę PCB jest również powszechne w punktach testowych, gdzie sonda może być wielokrotnie podłączana. W przełącznikach lub złączach oczko PCB zapewnia, że ​​naprężenia mechaniczne działają na metalową tuleję, a nie na samą delikatną płytkę. Są niezbędne do tworzenia trwałej elektroniki.


Oczka PCB Szczegóły produkcji

Informacje o pakowaniu

Często zadawane pytania:

P1: Jakie jest Twoje MOQ dla oczek PCB?

MOQ dla nitów wynosi 20 000 sztuk.


P2: Czy możesz dostosować krawiectwo za pomocą naszego rysunku?

Tak, większość naszych nitów rurowych jest wykonywana na wymiar według rysunku klienta.


P3: Czy możesz dostarczyć bezpłatne próbki pustych nitów?

Możemy dostarczyć bezpłatne próbki dla rozmiaru, który mamy w magazynie, ale klienci zapłacą opłaty ekspresowe.


P4: Jaki jest Twój czas dostawy?

Rozmiar nitów w magazynie: 3-5 dni, Nity niestandardowe: 15-25 dni. Dostarczymy tak szybko, jak to możliwe, z gwarancją jakości.


P5: Jakość Twoich produktów?

Firma posiada zaawansowany sprzęt do produkcji i testowania. Każdy produkt zostanie w 100% sprawdzony przez nasz dział kontroli jakości przed wysyłką.


P6: Dlaczego wybieramy technologię Nuote?

1. Nuote szanujemy warunki klienta, aby chronić projekty dotyczące prywatności klientów.

2. Wysoka jakość w atrakcyjnej cenie

3. Szybki czas realizacji

4. Szczęśliwa transakcja i uczciwość wobec klienta i partnera

5. Profesjonalna reklama sprzedaży odpowie na Twoje zapytanie w ciągu 8 godzin.

6. Produkty i usługi Nuote są sprzedawane do ponad 70 krajów cieszących się dobrą reputacją


Gorące Tagi: Oczka PCB, Oczka do PCB, Chiny Oczka PCB
Powiązana kategoria
Wyślij zapytanie
Prosimy o przesłanie zapytania w poniższym formularzu. Odpowiemy ci w ciągu 24 godzin.
X
Używamy plików cookie, aby zapewnić lepszą jakość przeglądania, analizować ruch w witrynie i personalizować zawartość. Korzystając z tej witryny, wyrażasz zgodę na używanie przez nas plików cookie. Polityka prywatności