Małe oczka
  • Małe oczka Małe oczka

Małe oczka

Nuote Metals jest jednym z wiodących producentów małych oczek w Chinach od ponad 10 lat. Mamy w magazynie ponad 3000 różnych rozmiarów, od średnicy trzpienia 0,8 mm do 10 mm. Większość naszych oczek magazynowych jest wykonana z mosiądzu, ale oferujemy również oczka z innych metali, takich jak stal, miedź i stal nierdzewna.

Wyślij zapytanie

Opis produktu

Wprowadzenie małych oczek


małe oczka to dość proste elementy, zwykle tworzone za pomocą technik głębokiego tłoczenia. Dzięki temu procesowi płaskie blachy przekształcane są w określone kształty. Ta złożona procedura obejmuje wiele metod formowania metalu — takich jak wykrawanie, wykrawanie, gięcie i przebijanie — w celu zmiany kształtu blachy. Matryca metalowa wykorzystuje znaczną siłę za pomocą stempla do formowania lub cięcia blach.


małe oczka


Small Eyelets


Zastosowanie metalowych oczek pokazuje:


Small Eyelets



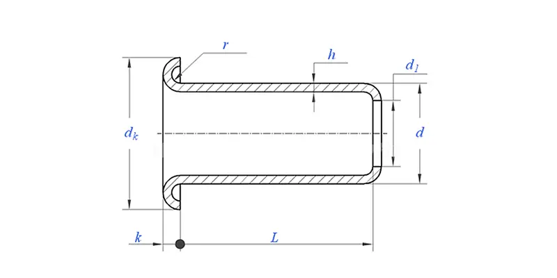
Parametr produktu (specyfikacja)


Tworzywo

Mosiądz, stal, miedź, stal nierdzewna

Obróbka powierzchniowa

Czyste, cynkowane, niklowane, srebrzone na zamówienie

Certyfikat

Zgodny z Rohs

Średnica trzpienia

0,8-10 mm

Tolerancja

+/-0,05 mm

Aplikacja

 Nadaje się do stosowania w różnych gałęziach przemysłu, m.inmotoryzacja, lotnictwo, elektryka i elektronika itp.

Kontrola jakości

100% kontrola całego asortymentu poprzez produkcję zapewnia, że ​​każdy produkt spełnia normę ISO, gwarantując produkty wysokiej jakości.



Cecha produktu i zastosowanie


Na wybór metalowego oczka wpływają różne względy. Najważniejszym aspektem jest rozmiar dziury; oczko musi pasować i mieć wystarczająco dużą średnicę kołnierza, aby zapewnić wymaganą wytrzymałość. Grubość materiału powinna zapewniać skuteczne przejście cylindra oczka. Ze względu na ich mniejszy rozmiar, małe oczka są często używane do wzmacniania otworów na przedmioty takie jak sznurki, sznurowadła, wstążki, koronki lub elastyczne sznurki.


małe oczka Szczegóły produkcji


Small Eyelets



Informacje o pakowaniu


Small Eyelets


Często zadawane pytania:


P1: Jakie jest Twoje MOQ dla małych oczek?

MOQ dla nitów wynosi 20 000 sztuk.


P2: Czy możesz dostosować krawiectwo za pomocą naszego rysunku?

Tak, większość naszych oczek metalowych jest wykonywana na zamówienie według rysunku klienta.


P3: Czy możesz dostarczyć bezpłatne próbki pustych nitów?

Możemy dostarczyć bezpłatne próbki dla rozmiaru, który mamy w magazynie, ale klienci zapłacą opłaty ekspresowe.


P4: Jaki jest Twój czas dostawy?

Rozmiar nitów w magazynie: 3-5 dni, Nity niestandardowe: 15-25 dni. Dostarczymy tak szybko, jak to możliwe, z gwarancją jakości.


P5: Jakość Twoich produktów?

Firma posiada zaawansowany sprzęt do produkcji i testowania. Każdy produkt zostanie w 100% sprawdzony przez nasz dział kontroli jakości przed wysyłką.


P6: Dlaczego wybieramy technologię Nuote?

1. Nuote szanujemy warunki klienta, aby chronić projekty dotyczące prywatności klientów.

2. Wysoka jakość w atrakcyjnej cenie

3. Szybki czas realizacji

4. Szczęśliwa transakcja i uczciwość wobec klienta i partnera

5. Profesjonalna reklama sprzedaży odpowie na Twoje zapytanie w ciągu 8 godzin.

6. Produkty i usługi Nuote są sprzedawane do ponad 70 krajów cieszących się dobrą reputacją


Gorące Tagi: Małe oczka
Powiązana kategoria
Wyślij zapytanie
Prosimy o przesłanie zapytania w poniższym formularzu. Odpowiemy ci w ciągu 24 godzin.
X
Używamy plików cookie, aby zapewnić lepszą jakość przeglądania, analizować ruch w witrynie i personalizować zawartość. Korzystając z tej witryny, wyrażasz zgodę na używanie przez nas plików cookie. Polityka prywatności