Puste nity
  • Puste nity Puste nity

Puste nity

Nity drążone, zwane także nitami oczkowymi, zwykle wykonane z mosiądzu, stali, miedzi, stali nierdzewnej, aluminium itp., mogą być powlekane cyną, niklem, cynkiem itp. Firma Nuote Metals produkuje nity drążone w Chinach od ponad 10 lat. Mamy w magazynie wiele różnych rozmiarów. Zapraszamy do przesłania nam zapytania z rysunkiem krawieckim.

Wyślij zapytanie

Opis produktu

Wprowadzenie nitów drążonych


Nity i oczka są elementami złącznymi przemysłowymi używanymi do łączenia dwóch lub więcej materiałów, różnią się jednak integralnością strukturalną i funkcją. Nity oczkowe — rodzaj wydrążonego pierścienia lub rurki — są przeznaczone do mocowania mniej trwałego, często dekoracyjnego lub półtrwałego.


puste nity


hollow rivets


Zastosowanie nitów drążonych pokazuje:


hollow rivets



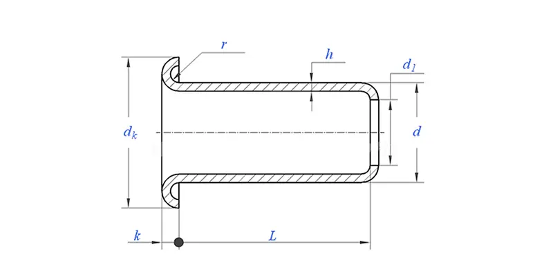
Parametr produktu (specyfikacja)


Tworzywo

Mosiądz

Obróbka powierzchniowa

Czyste, cynkowane, niklowane, srebrzone na zamówienie

Certyfikat

Zgodny z Rohs

Średnica trzpienia

0,8-10 mm

Tolerancja

+/-0,05 mm

Aplikacja

 Nadaje się do stosowania w różnych gałęziach przemysłu, m.inmotoryzacja, lotnictwo, elektryka i elektronika itp.

Kontrola jakości

100% kontrola całego asortymentu poprzez produkcję zapewnia, że ​​każdy produkt spełnia normę ISO, gwarantując produkty wysokiej jakości.


Cecha produktu i zastosowanie


Materiały na nity oczkowe obejmują aluminium, mosiądz lub stal, a każdy z nich oferuje określone zalety pod względem odporności na korozję, wytrzymałości i kosztów. Nity drążone są zagniatane we wstępnie wycięty otwór w celu wzmocnienia materiału i zapewnienia wykończonej krawędzi, szeroko stosowanej w tekstyliach, wyrobach skórzanych, artykułach papierniczych, plandekach, zasłonach okiennych i rzemiośle.


nity drążone Szczegóły produkcji


hollow rivets


Informacje o pakowaniu


hollow rivets


Często zadawane pytania:


P1: Jakie jest Twoje MOQ dla nitów drążonych?

MOQ dla nitów wynosi 20 000 sztuk.


P2: Czy możesz dostosować krawiectwo za pomocą naszego rysunku?

Tak, większość naszych nitów rurowych jest wykonywana na wymiar według rysunku klienta.


P3: Czy możesz dostarczyć bezpłatne próbki pustych nitów?

Możemy dostarczyć bezpłatne próbki dla rozmiaru, który mamy w magazynie, ale klienci zapłacą opłaty ekspresowe.


P4: Jaki jest Twój czas dostawy?

Rozmiar nitów w magazynie: 3-5 dni, Nity niestandardowe: 15-25 dni. Dostarczymy tak szybko, jak to możliwe, z gwarancją jakości.


P5: Jakość Twoich produktów?

Firma posiada zaawansowany sprzęt do produkcji i testowania. Każdy produkt zostanie w 100% sprawdzony przez nasz dział kontroli jakości przed wysyłką.


P6: Dlaczego wybieramy technologię Nuote?

1. Nuote szanujemy warunki klienta, aby chronić projekty dotyczące prywatności klientów.

2. Wysoka jakość w atrakcyjnej cenie

3. Szybki czas realizacji

4. Szczęśliwa transakcja i uczciwość wobec klienta i partnera

5. Profesjonalna reklama sprzedaży odpowie na Twoje zapytanie w ciągu 8 godzin.

6. Produkty i usługi Nuote są sprzedawane do ponad 70 krajów z dobrym r


Gorące Tagi: Puste nity
Powiązana kategoria
Wyślij zapytanie
Prosimy o przesłanie zapytania w poniższym formularzu. Odpowiemy ci w ciągu 24 godzin.
X
Używamy plików cookie, aby zapewnić lepszą jakość przeglądania, analizować ruch w witrynie i personalizować zawartość. Korzystając z tej witryny, wyrażasz zgodę na używanie przez nas plików cookie. Polityka prywatności