Oczka do PCB
  • Oczka do PCB Oczka do PCB

Oczka do PCB

Oczka do płytek PCB mają trwałą, cylindryczną formę, która wzmacnia dziurkowane otwory w różnych materiałach, pomagając zapobiegać strzępieniu i zapewniając czyste, wykończone krawędzie. Nuote Metals jest producentem oczek do płytek PCB w Chinach od ponad 10 lat. Mamy w magazynie wiele rozmiarów.

Wyślij zapytanie

Opis produktu

Wprowadzenie oczek do PCB


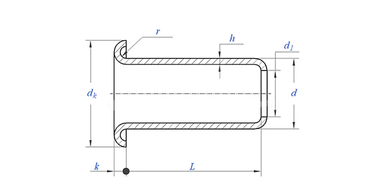
Najpopularniejszym kształtem oczek jest standardowe oczko okrągłe, które jest szeroko stosowane ze względu na prostą i efektowną konstrukcję. Oczka PCB są zwykle płaskie na główce.


oczka do PCB


eyelets for PCB


Zastosowanie metalowych oczek pokazuje:


eyelets for PCB



Parametr produktu (specyfikacja)


Tworzywo

Mosiądz, stal, miedź, stal nierdzewna

Obróbka powierzchniowa

Czyste, cynkowane, niklowane, srebrzone na zamówienie

Certyfikat

Zgodny z Rohs

Średnica trzpienia

0,8-10 mm

Tolerancja

+/-0,05 mm

Aplikacja

 Nadaje się do stosowania w różnych gałęziach przemysłu, m.inmotoryzacja, lotnictwo, elektryka i elektronika itp.

Kontrola jakości

100% kontrola całego asortymentu poprzez produkcję zapewnia, że ​​każdy produkt spełnia normę ISO, gwarantując produkty wysokiej jakości.


Cecha produktu i zastosowanie


Oczka do PCB należą do najczęściej używanych i powstają poprzez wybicie otworu w górnej części płytki drukowanej.


oczka do szczegółów produkcji PCB


eyelets for PCB


Informacje o pakowaniu


eyelets for PCB


Często zadawane pytania:


P1: Jakie jest Twoje MOQ dla oczek do PCB?

MOQ dla nitów wynosi 20 000 sztuk.


P2: Czy możesz dostosować krawiectwo za pomocą naszego rysunku?

Tak, większość naszych oczek PCB jest wykonywana na zamówienie na podstawie rysunku klienta.


P3: Czy możesz dostarczyć bezpłatne próbki pustych nitów?

Możemy dostarczyć bezpłatne próbki dla rozmiaru, który mamy w magazynie, ale klienci zapłacą opłaty ekspresowe.


P4: Jaki jest Twój czas dostawy?

Rozmiar nitów w magazynie: 3-5 dni, Nity niestandardowe: 15-25 dni. Dostarczymy tak szybko, jak to możliwe, z gwarancją jakości.


P5: Jakość Twoich produktów?

Firma posiada zaawansowany sprzęt do produkcji i testowania. Każdy produkt zostanie w 100% sprawdzony przez nasz dział kontroli jakości przed wysyłką.


P6: Dlaczego wybieramy technologię Nuote?

1. Nuote szanujemy warunki klienta, aby chronić projekty dotyczące prywatności klientów.

2. Wysoka jakość w atrakcyjnej cenie

3. Szybki czas realizacji

4. Szczęśliwa transakcja i uczciwość wobec klienta i partnera

5. Profesjonalna reklama sprzedaży odpowie na Twoje zapytanie w ciągu 8 godzin.

6. Produkty i usługi Nuote są sprzedawane do ponad 70 krajów cieszących się dobrą reputacją


Gorące Tagi: Oczka do PCB
Powiązana kategoria
Wyślij zapytanie
Prosimy o przesłanie zapytania w poniższym formularzu. Odpowiemy ci w ciągu 24 godzin.
X
Używamy plików cookie, aby zapewnić lepszą jakość przeglądania, analizować ruch w witrynie i personalizować zawartość. Korzystając z tej witryny, wyrażasz zgodę na używanie przez nas plików cookie. Polityka prywatności