Oczka do butów

Oczka do butów

Codziennie produkujemy oczka do butów w Nuote Metals w Dongguan. Oczka to mocne metalowe pierścienie, które można zobaczyć na butach. Sznurówki przechodzą przez nie. Nasze oczka do butów wykonujemy z wytrzymałych materiałów. Muszą starczyć na długo. Produkujemy je w różnych rozmiarach i wykończeniach. Niektóre są błyszczące, inne matowe. Wszystkie zostały wykonane tak, aby były trwałe.

Wyślij zapytanie

Opis produktu

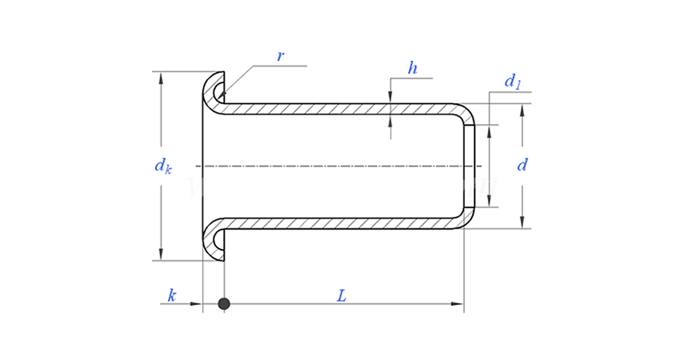
Wprowadzenie do oczek rozruchowych

Oczka do butów mają bardzo ważne zadanie. Wzmacniają dziurki w koronce. Bez nich dziury łatwo by się rozerwały. Kiedy mocno zaciągniesz sznurowadła, oczka na buty przejmują nacisk. Pomagają również sznurowadłom płynnie się poruszać. Ułatwia to zakładanie i zdejmowanie butów.


rysunek oczek bagażnika jak poniżej:


Parametr oczek rozruchowych (specyfikacja)



Tworzywo Mosiądz, stal, aluminium, stal nierdzewna, miedź
Obróbka powierzchniowa Czyste, cynkowane, niklowane, srebrzone na zamówienie
Certyfikat Zgodny z Rohs
Średnica trzpienia 0,8-10 mm
Tolerancja +/-0,05 mm
Aplikacja Nadaje się do stosowania w różnych gałęziach przemysłu, w tym motoryzacyjnym, lotniczym, elektrycznym i elektronicznym itp.
Kontrola jakości 100% kontrola całego asortymentu poprzez produkcję zapewnia, że ​​każdy produkt spełnia normę ISO, gwarantując produkty wysokiej jakości.




Funkcja i zastosowanie oczek rozruchowych

Oczka do butów można znaleźć na wielu rodzajach butów. Buty robocze je mają. Używają ich buty turystyczne. Buty wojskowe też ich potrzebują. Nawet modne skórzane buty mają oczka na buty. Pomagają zapewnić stopom bezpieczeństwo i wygodę. Bez dobrych oczek do butów buty nie byłyby dobrze dopasowane i nie wytrzymałyby tak długo.


Szczegóły produkcji oczek do butów


Często zadawane pytania:

P1: Jakie jest Twoje MOQ dla oczek rozruchowych?

MOQ dla nitów wynosi 20 000 sztuk.


P2: Czy możesz dostosować krawiectwo za pomocą naszego rysunku?

Tak, większość naszych nitów rurowych jest wykonywana na wymiar według rysunku klienta.


P3: Czy możesz dostarczyć bezpłatne próbki pustych nitów?

Możemy dostarczyć bezpłatne próbki dla rozmiaru, który mamy w magazynie, ale klienci zapłacą opłaty ekspresowe.


P4: Jaki jest Twój czas dostawy?

Rozmiar nitów w magazynie: 3-5 dni, Nity niestandardowe: 15-25 dni. Dostarczymy tak szybko, jak to możliwe, z gwarancją jakości.


P5: Jakość Twoich produktów?

Firma posiada zaawansowany sprzęt do produkcji i testowania. Każdy produkt zostanie w 100% sprawdzony przez nasz dział kontroli jakości przed wysyłką.


P6: Dlaczego wybieramy technologię Nuote?

1. Nuote szanujemy warunki klienta, aby chronić projekty dotyczące prywatności klientów.

2. Wysoka jakość w atrakcyjnej cenie

3. Szybki czas realizacji

4. Szczęśliwa transakcja i uczciwość wobec klienta i partnera

5. Profesjonalna reklama sprzedaży odpowiada na Twoje zapytanie w ciągu 8 godzin.

6. Produkty i usługi Nuote są sprzedawane do ponad 70 krajów cieszących się dobrą reputacją


Gorące Tagi: Oczka do butów, chińskie oczka do butów, producent oczek do butów
Powiązana kategoria
Wyślij zapytanie
Prosimy o przesłanie zapytania w poniższym formularzu. Odpowiemy ci w ciągu 24 godzin.
X
Używamy plików cookie, aby zapewnić lepszą jakość przeglądania, analizować ruch w witrynie i personalizować zawartość. Korzystając z tej witryny, wyrażasz zgodę na używanie przez nas plików cookie. Polityka prywatności