Oczko I Podkładka

Oczko I Podkładka

Oczko i podkładkę znajdziesz w wielu przedmiotach codziennego użytku. Są to małe metalowe części. Oczko przypomina mały pierścień, a podkładka jest płaską tarczą. Są one ściskane razem, aby utworzyć mocny, gładki otwór w materiałach takich jak tkanina lub plastik. Zapobiegnie to rozdzieraniu się materiału. W Chinach firma Nuote Metals produkuje te małe, ale przydatne części. produkujemy wiele rodzajów oczek i podkładek do różnych zastosowań.

Wyślij zapytanie

Opis produktu

Wprowadzenie oczka i podkładki

To, co sprawia, że ​​oczko i podkładka są tak przydatne, to ich prostota. Oczko przekładamy przez dziurkę w materiale. Następnie kładziesz podkładkę z tyłu. Maszyna naciska na nie, ściskając kawałki razem. To powoduje szczelne zamknięcie materiału pomiędzy nimi. Rezultatem jest czysty, mocny otwór, który nie ulega łatwemu zużyciu. Dzięki tej prostej konstrukcji oczko i podkładka są bardzo niezawodnym rozwiązaniem.


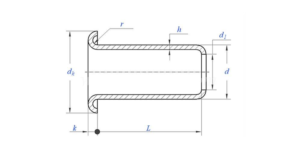
rysunek oczka i podkładki jak poniżej:

zastosowanie oczka i podkładki pokazuje:

Parametr oczka i podkładki (specyfikacja)

Tworzywo Mosiądz
Obróbka powierzchniowa Czyste, cynkowane, niklowane, srebrzone na zamówienie
Typ głowy Nity z łbem okrągłym, pełnym
Certyfikat Zgodny z Rohs
Średnica trzpienia 0,8-8mm
Tolerancja +/-0,05 mm
Aplikacja Nadaje się do stosowania w różnych gałęziach przemysłu, w tym motoryzacyjnym, lotniczym, elektrycznym i elektronicznym itp.
Kontrola jakości 100% kontrola całego asortymentu poprzez produkcję zapewnia, że ​​każdy produkt spełnia normę ISO, gwarantując produkty wysokiej jakości.




Funkcja i zastosowanie oczka i podkładki

Dobrym przykładem miejsca, w którym widać oczko i podkładkę, jest pojemnik na olej. Wiele puszek po oleju ma mały metalowy dzióbek do nalewania. Ta wylewka jest bardzo przydatna i może łatwo się rozerwać. Ale jeśli przyjrzysz się uważnie, często zobaczysz mały metalowy pierścień wzmacniający otwór. To oczko i podkładka w pracy. Sprawia, że ​​dziobek jest mocny i zapobiega wyciekom, dzięki czemu olej może starczyć na długi czas. To idealne zastosowanie dla tej prostej pary części.


oczko i podkładka Szczegóły produkcji

Informacje o pakowaniu

Często zadawane pytania:

P1: Jakie jest Twoje MOQ dla oczka i podkładki?

MOQ dla nitów wynosi 20 000 sztuk.


P2: Czy możesz dostosować krawiectwo za pomocą naszego rysunku?

Tak, większość naszych nitów rurowych jest wykonywana na wymiar według rysunku klienta.


P3: Czy możesz dostarczyć bezpłatne próbki pustych nitów?

Możemy dostarczyć bezpłatne próbki dla rozmiaru, który mamy w magazynie, ale klienci zapłacą opłaty ekspresowe.


P4: Jaki jest Twój czas dostawy?

Rozmiar nitów w magazynie: 3-5 dni, Nity niestandardowe: 15-25 dni. Dostarczymy tak szybko, jak to możliwe, z gwarancją jakości.


P5: Jakość Twoich produktów?

Firma posiada zaawansowany sprzęt do produkcji i testowania. Każdy produkt zostanie w 100% sprawdzony przez nasz dział kontroli jakości przed wysyłką.


P6: Dlaczego wybieramy technologię Nuote?

1. Nuote szanujemy warunki klienta, aby chronić projekty dotyczące prywatności klientów.

2. Wysoka jakość w atrakcyjnej cenie

3. Szybki czas realizacji

4. Szczęśliwa transakcja i uczciwość wobec klienta i partnera

5. Profesjonalna reklama sprzedaży odpowie na Twoje zapytanie w ciągu 8 godzin.

6. Produkty i usługi Nuote są sprzedawane do ponad 70 krajów cieszących się dobrą reputacją


Gorące Tagi: Oczko i podkładka, Chiny Oczko i podkładka, Producent oczek i podkładek
Powiązana kategoria
Wyślij zapytanie
Prosimy o przesłanie zapytania w poniższym formularzu. Odpowiemy ci w ciągu 24 godzin.
X
Używamy plików cookie, aby zapewnić lepszą jakość przeglądania, analizować ruch w witrynie i personalizować zawartość. Korzystając z tej witryny, wyrażasz zgodę na używanie przez nas plików cookie. Polityka prywatności