Oczka stalowe
  • Oczka stalowe Oczka stalowe

Oczka stalowe

Nuote Metals to profesjonalny producent oczek stalowych w Chinach, mamy ponad 10-letnie doświadczenie w pracy, oczka stalowe są wykonane z blachy stalowej techniką głębokiego tłoczenia, są znane ze swojej wytrzymałości i trwałości.

Wyślij zapytanie

Opis produktu

Wprowadzenie oczek stalowych


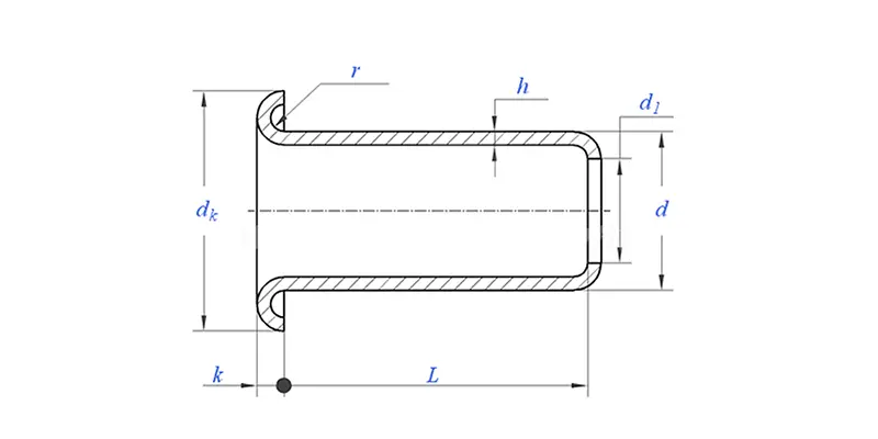
Oczka to małe, cylindryczne łączniki stosowane do wzmacniania otworów w materiałach. Składają się z części beczkowej z kołnierzem na jednym końcu. Oczka stalowe są często stosowane w ciężkich zastosowaniach w przemyśle obuwniczym, takich jak buty robocze, buty wojskowe, obuwie ochronne itp.


Steel eyelets


Zastosowanie oczek stalowych pokazuje:


Steel eyelets



Parametr produktu (specyfikacja)


Tworzywo

stal

Obróbka powierzchniowa

Czyste, cynkowane, niklowane, srebrzone na zamówienie

Certyfikat

Zgodny z Rohs

Średnica trzpienia

0,8-10 mm

Tolerancja

+/-0,05 mm

Aplikacja

 Nadaje się do stosowania w różnych gałęziach przemysłu, m.inmotoryzacja, lotnictwo, elektryka i elektronika itp.

Kontrola jakości

100% kontrola całego asortymentu poprzez produkcję zapewnia, że ​​każdy produkt spełnia normę ISO, gwarantując produkty wysokiej jakości.




Cecha produktu i zastosowanie


stalowe oczka mają mniejszy rozmiar w porównaniu do nitów i są używane w zastosowaniach, w których potrzebne jest tymczasowe rozwiązanie mocujące. Składają się z wydrążonego metalowego pierścienia, który wkłada się w otwór w materiale, a następnie zagniata, aby utrzymać go na miejscu. Oczka można znaleźć w różnych zastosowaniach, takich jak wyroby skórzane, tekstylia i wyroby papiernicze.


oczka stalowe Szczegóły produkcji


Steel eyelets


Informacje o pakowaniu


Steel eyelets


Często zadawane pytania:


P1: Jakie jest Twoje MOQ dla stalowych oczek?

MOQ dla nitów wynosi 20 000 sztuk.


P2: Czy możesz dostosować krawiectwo za pomocą naszego rysunku?

Tak, większość naszych oczek jest wykonywana na wymiar według rysunku klienta.


P3: Czy możesz dostarczyć bezpłatne próbki nitów oczkowych?

Możemy dostarczyć bezpłatne próbki dla rozmiaru, który mamy w magazynie, ale klienci zapłacą opłaty ekspresowe.


P4: Jaki jest Twój czas dostawy?

Rozmiar nitów w magazynie: 3-5 dni, Nity niestandardowe: 15-25 dni. Dostarczymy tak szybko, jak to możliwe, z gwarancją jakości.


P5: Jakość Twoich produktów?

Firma posiada zaawansowany sprzęt do produkcji i testowania. Każdy produkt zostanie w 100% sprawdzony przez nasz dział kontroli jakości przed wysyłką.


P6: Dlaczego wybieramy technologię Nuote?

1. Nuote szanujemy warunki klienta, aby chronić projekty dotyczące prywatności klientów.

2. Wysoka jakość w atrakcyjnej cenie

3. Szybki czas realizacji

4. Szczęśliwa transakcja i uczciwość wobec klienta i partnera

5. Profesjonalna reklama sprzedaży odpowie na Twoje zapytanie w ciągu 8 godzin.

6. Produkty i usługi Nuote są sprzedawane do ponad 70 krajów cieszących się dobrą reputacją




Gorące Tagi: Oczka stalowe
Powiązana kategoria
Wyślij zapytanie
Prosimy o przesłanie zapytania w poniższym formularzu. Odpowiemy ci w ciągu 24 godzin.
X
Używamy plików cookie, aby zapewnić lepszą jakość przeglądania, analizować ruch w witrynie i personalizować zawartość. Korzystając z tej witryny, wyrażasz zgodę na używanie przez nas plików cookie. Polityka prywatności