Stalowa przelotka

Stalowa przelotka

Witam z Dongguan w Chinach. Jesteśmy Nuote Metals. Wykonujemy tutaj mocne stalowe przelotki. Nasza fabryka codziennie produkuje stalowe przelotki. Używamy dobrego materiału stalowego. Stal ta jest gruba i trwała. Wykonujemy przelotki stalowe w wielu rozmiarach. Niektóre są małe. Niektóre są bardzo duże. Każda stalowa przelotka jest sprawdzana przez nasz zespół. Dokładnie przyglądają się każdemu kawałkowi. Wielu klientów kupuje nasze stalowe przelotki raz po raz. Podoba im się nasza jakość. Zaufali naszym produktom. Ciężko pracujemy, aby stworzyć dobre stalowe przelotki dla każdego.

Wyślij zapytanie

Opis produktu

Wprowadzenie do stalowej przelotki

Stalowa przelotka to prosty metalowy pierścień. Wchodzi w otwory w tkaninie lub skórze. Stalowa przelotka sprawia, że ​​otwór jest mocny. Kiedy przeciągniesz przez niego linę, dziura się nie rozerwie. Przelotki stalowe dobrze sprawdzają się na zewnątrz. Nie rdzewieją łatwo. Deszcz i słońce nie szkodzą im zbytnio. Aby założyć stalową przelotkę, potrzebujesz maszyny. Maszyna wciska stalową przelotkę w materiał. Potem pozostaje tam przez długi czas. Nie luzuje się. W ten sposób stalowe przelotki zapewniają trwałość rzeczy.



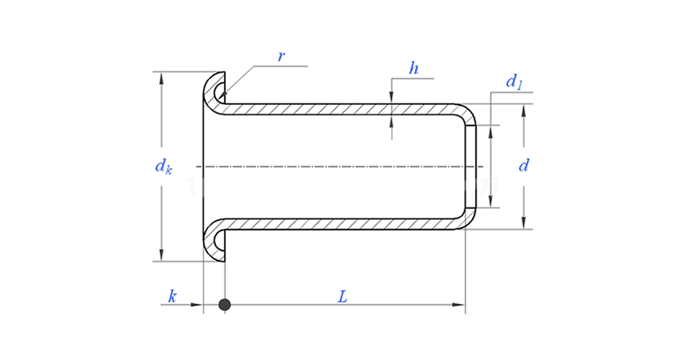
Parametr stalowej przelotki (specyfikacja)



Tworzywo stal
Obróbka powierzchniowa Czyste, cynkowane, niklowane, srebrzone na zamówienie
Certyfikat Zgodny z Rohs
Średnica trzpienia 0,8-10 mm
Tolerancja +/-0,05 mm
Aplikacja Nadaje się do stosowania w różnych gałęziach przemysłu, w tym motoryzacyjnym, lotniczym, elektrycznym i elektronicznym itp.
Kontrola jakości 100% kontrola całego asortymentu poprzez produkcję zapewnia, że ​​każdy produkt spełnia normę ISO, gwarantując produkty wysokiej jakości.




Rysunek stalowej przelotki jak poniżej:


Funkcja i zastosowanie stalowej przelotki

W wielu miejscach stosowane są stalowe przelotki. Pokrowce na ciężarówki wykorzystują stalowe przelotki do mocowania. Namioty wymagają stalowych przelotek do lin. Torby posiadają stalowe przelotki na uchwytach. W niektórych butach do sznurówek stosuje się stalowe przelotki. Odzież robocza ma również stalowe przelotki. Znaki zewnętrzne często wykorzystują stalowe przelotki do zawieszenia. Nawet łodzie używają stalowych przelotek do swoich pokrowców. Stalowe przelotki są wszędzie. Pomagają utrzymać wszystko w całości. i uczynić wszystko mocnym i bezpiecznym. Nasi klienci wybierają nasze stalowe przelotki, ponieważ dobrze się sprawdzają. Wiedzą, że nasze stalowe przelotki ich nie zawiodą. Jesteśmy dumni, że tutaj, w Dongguan, produkujemy tak przydatne produkty.


Szczegóły stalowej przelotki

Informacje dotyczące pakowania stalowej przelotki

Często zadawane pytania:

P1: Jakie jest Twoje MOQ dla stalowej przelotki?

MOQ dla nitów wynosi 20 000 sztuk.


P2: Czy możesz dostosować krawiectwo za pomocą naszego rysunku?

Tak, większość naszych nitów rurowych jest wykonywana na wymiar według rysunku klienta.


P3: Czy możesz dostarczyć bezpłatne próbki pustych nitów?

Możemy dostarczyć bezpłatne próbki dla rozmiaru, który mamy w magazynie, ale klienci zapłacą opłaty ekspresowe.


P4: Jaki jest Twój czas dostawy?

Rozmiar nitów w magazynie: 3-5 dni, Nity niestandardowe: 15-25 dni. Dostarczymy tak szybko, jak to możliwe, z gwarancją jakości.


P5: Jakość Twoich produktów?

Firma posiada zaawansowany sprzęt do produkcji i testowania. Każdy produkt zostanie w 100% sprawdzony przez nasz dział kontroli jakości przed wysyłką.


P6: Dlaczego wybieramy technologię Nuote?

1. Nuote szanujemy warunki klienta, aby chronić projekty dotyczące prywatności klientów.

2. Wysoka jakość w atrakcyjnej cenie

3. Szybki czas realizacji

4. Szczęśliwa transakcja i uczciwość wobec klienta i partnera

5. Profesjonalna reklama sprzedaży odpowiada na Twoje zapytanie w ciągu 8 godzin.

6. Produkty i usługi Nuote są sprzedawane do ponad 70 krajów cieszących się dobrą reputacją

Gorące Tagi: Przelotka stalowa, Chiny Przelotka stalowa, Producent przelotki stalowej
Powiązana kategoria
Wyślij zapytanie
Prosimy o przesłanie zapytania w poniższym formularzu. Odpowiemy ci w ciągu 24 godzin.
X
Używamy plików cookie, aby zapewnić lepszą jakość przeglądania, analizować ruch w witrynie i personalizować zawartość. Korzystając z tej witryny, wyrażasz zgodę na używanie przez nas plików cookie. Polityka prywatności