Mosiężne oczka
  • Mosiężne oczka Mosiężne oczka

Mosiężne oczka

Nuote Metals produkuje mosiężne oczka od ponad 10 lat. Siedziba firmy znajduje się w Dongguan w Chinach. mosiężne oczka są wykonane z mosiądzu, co czyni je solidnymi, lekkimi i wystarczająco trwałymi, aby wytrzymać regularne zużycie bez rdzy. Nowe narzędzie do oczek jesteśmy w stanie wykonać w ciągu 10 dni w celu szybkiego przygotowania próbki.

Wyślij zapytanie

Opis produktu

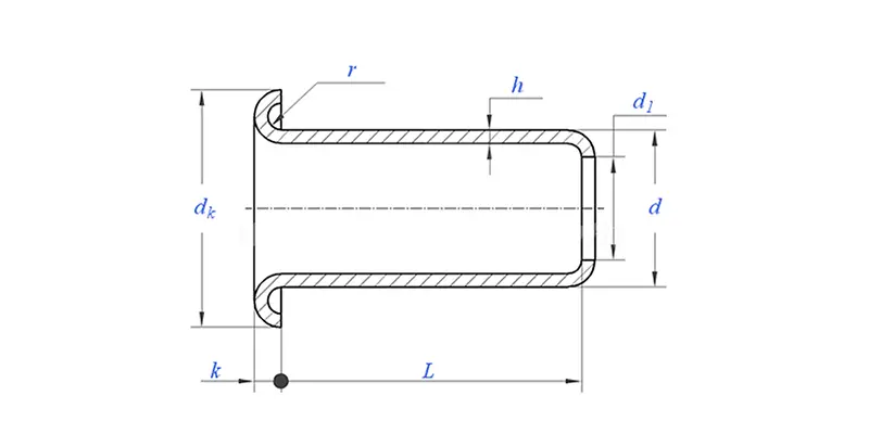
Wprowadzenie oczek mosiężnych


Oczka mosiężne są odporne na korozję. Można je wykorzystać do celów zdobniczych i funkcjonalnych, aby dodać estetyki w zależności od miejsca ich użycia. Główną rolą mosiężnych oczek jest wzmacnianie otworów i ochrona materiałów przed zużyciem spowodowanym przez szorstkie krawędzie tych otworów.


mosiężne oczka


brass eyelets

Zastosowanie mosiężnych oczek pokazuje:



brass eyelets

Parametr produktu (specyfikacja)


Tworzywo

Mosiądz

Obróbka powierzchniowa

Czyste, cynkowane, niklowane, srebrzone na zamówienie

Certyfikat

Zgodny z Rohs

Średnica trzpienia

0,8-10 mm

Tolerancja

+/-0,05 mm

Aplikacja

 Nadaje się do stosowania w różnych gałęziach przemysłu, m.inmotoryzacja, lotnictwo, elektryka i elektronika itp.

Kontrola jakości

100% kontrola całego asortymentu poprzez produkcję zapewnia, że ​​każdy produkt spełnia normę ISO, gwarantując produkty wysokiej jakości.



Cecha produktu i zastosowanie


Mosiężne oczka są łatwe w użyciu, mają solidną konstrukcję i są wykonane z wysokiej jakości mosiądzu. Ze względu na niewielką wagę są znacznie tańsze niż inne elementy złączne. Mosiądz zapewnia większą odporność na korozję, trwałość, odkształcalność i estetykę niż czysta miedź, mosiężne oczka są często stosowane w tekstyliach, blachach i różnych materiałach włóknistych.


mosiężne oczka Szczegóły produkcji


brass eyelets

Informacje o pakowaniu


brass eyelets


Często zadawane pytania:


P1: Jakie jest Twoje MOQ dla mosiężnych oczek?

MOQ dla nitów wynosi 20 000 sztuk.


P2: Czy możesz dostosować krawiectwo za pomocą naszego rysunku?

Tak, większość naszych nitów rurowych jest wykonywana na wymiar według rysunku klienta.


P3: Czy możesz dostarczyć bezpłatne próbki pustych nitów?

Możemy dostarczyć bezpłatne próbki dla rozmiaru, który mamy w magazynie, ale klienci zapłacą opłaty ekspresowe.


P4: Jaki jest Twój czas dostawy?

Rozmiar nitów w magazynie: 3-5 dni, Nity niestandardowe: 15-25 dni. Dostarczymy tak szybko, jak to możliwe, z gwarancją jakości.


P5: Jakość Twoich produktów?

Firma posiada zaawansowany sprzęt do produkcji i testowania. Każdy produkt zostanie w 100% sprawdzony przez nasz dział kontroli jakości przed wysyłką.


P6: Dlaczego wybieramy technologię Nuote?

1. Nuote szanujemy warunki klienta, aby chronić projekty dotyczące prywatności klientów.

2. Wysoka jakość w atrakcyjnej cenie

3. Szybki czas realizacji

4. Szczęśliwa transakcja i uczciwość wobec klienta i partnera

5. Profesjonalna reklama sprzedaży odpowie na Twoje zapytanie w ciągu 8 godzin.

6. Produkty i usługi Nuote są sprzedawane do ponad 70 krajów cieszących się dobrą reputacją




Gorące Tagi: Mosiężne oczka
Powiązana kategoria
Wyślij zapytanie
Prosimy o przesłanie zapytania w poniższym formularzu. Odpowiemy ci w ciągu 24 godzin.
X
Używamy plików cookie, aby zapewnić lepszą jakość przeglądania, analizować ruch w witrynie i personalizować zawartość. Korzystając z tej witryny, wyrażasz zgodę na używanie przez nas plików cookie. Polityka prywatności