Oczka do butów

Oczka do butów

W naszej fabryce w Dongguan w Chinach produkujemy oczka do butów. Oczka to małe metalowe kółka, które można zobaczyć na butach ze względu na sznurowadła. nazywane są również przelotkami. Sprawiamy, że są mocne, więc nie pękają, gdy mocno zaciągniesz sznurowadła. Nasze oczka do butów wykonane są z różnych metali, takich jak mosiądz, aluminium i stal nierdzewna. Można je wykonać w różnych kolorach, aby pasowały do ​​każdego rodzaju obuwia.

Wyślij zapytanie

Opis produktu

Głównym zadaniem oczek do butów jest ochrona buta. Kiedy pociągasz za sznurówki, metalowy pierścień przejmuje nacisk zamiast materiału buta. Dzięki temu dziury nie będą się powiększać ani pękać. Dobre oczka do butów ułatwiają również przesuwanie sznurówek. Pomagają szybko zawiązać buty bez zacinania się sznurówek.


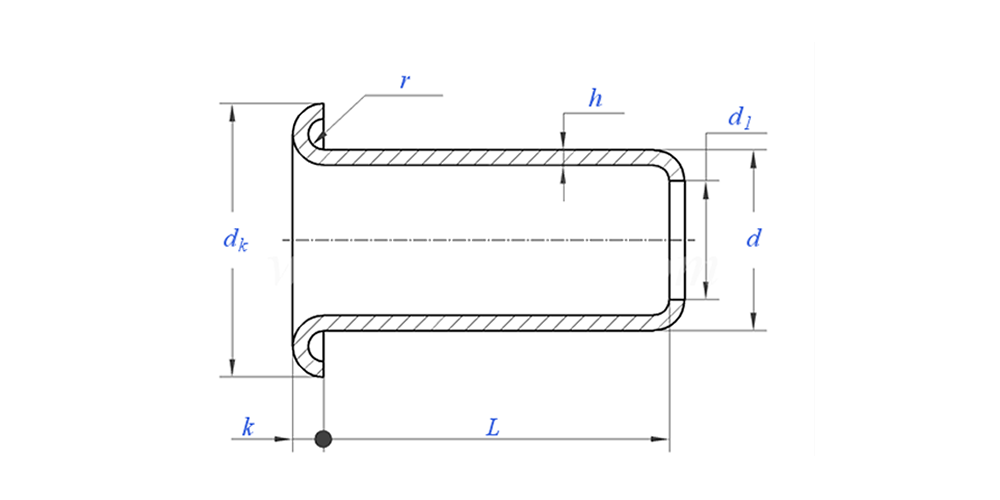
Rysunek oczek do butów jak poniżej:

Parametr oczek do butów (specyfikacja)



Tworzywo Mosiądz, stal, aluminium, stal nierdzewna, miedź
Obróbka powierzchniowa Czyste, cynkowane, niklowane, srebrzone na zamówienie
Certyfikat Zgodny z Rohs
Średnica trzpienia 0,8-10 mm
Tolerancja +/-0,05 mm
Aplikacja Nadaje się do stosowania w różnych gałęziach przemysłu, w tym motoryzacyjnym, lotniczym, elektrycznym i elektronicznym itp.
Kontrola jakości 100% kontrola całego asortymentu poprzez produkcję zapewnia, że ​​każdy produkt spełnia normę ISO, gwarantując produkty wysokiej jakości.



Pokaż aplikację:



Oczka do butów – funkcja i zastosowanie

Oczka do butów można zobaczyć na prawie każdym bucie ze sznurowadłami. Buty szkolne dla dzieci muszą wytrzymać nawet najcięższe zabawy. Buty do biegania wykorzystują je, aby pomóc sportowcom uzyskać bezpieczne dopasowanie. Nawet fantazyjne skórzane buty mają oczka na buty, chociaż czasami sprawiają, że wyglądają bardziej dekoracyjnie. Bez tych małych metalowych pierścieni nasze buty zużywałyby się znacznie szybciej i byłyby trudniejsze do założenia.


metalowe oczko Szczegóły produkcji

Informacje o pakowaniu

Często zadawane pytania:

P1: Jakie jest Twoje MOQ dla oczka na buty?

MOQ dla nitów wynosi 20 000 sztuk.


P2: Czy możesz dostosować krawiectwo za pomocą naszego rysunku?

Tak, większość naszych nitów rurowych jest wykonywana na wymiar według rysunku klienta.


P3: Czy możesz dostarczyć bezpłatne próbki pustych nitów?

Możemy dostarczyć bezpłatne próbki dla rozmiaru, który mamy w magazynie, ale klienci zapłacą opłaty ekspresowe.


P4: Jaki jest Twój czas dostawy?

Rozmiar nitów w magazynie: 3-5 dni, Nity niestandardowe: 15-25 dni. Dostarczymy tak szybko, jak to możliwe, z gwarancją jakości.


P5: Jakość Twoich produktów?

Firma posiada zaawansowany sprzęt do produkcji i testowania. Każdy produkt zostanie w 100% sprawdzony przez nasz dział kontroli jakości przed wysyłką.


P6: Dlaczego wybieramy technologię Nuote?

1. Nuote szanujemy warunki klienta, aby chronić projekty dotyczące prywatności klientów.

2. Wysoka jakość w atrakcyjnej cenie

3. Szybki czas realizacji

4. Szczęśliwa transakcja i uczciwość wobec klienta i partnera

5. Profesjonalna reklama sprzedaży odpowie na Twoje zapytanie w ciągu 8 godzin.

6. Produkty i usługi Nuote są sprzedawane do ponad 70 krajów cieszących się dobrą reputacją


Gorące Tagi: Oczka do butów, Chiny Oczka do butów, Producent oczek do butów
Powiązana kategoria
Wyślij zapytanie
Prosimy o przesłanie zapytania w poniższym formularzu. Odpowiemy ci w ciągu 24 godzin.
X
Używamy plików cookie, aby zapewnić lepszą jakość przeglądania, analizować ruch w witrynie i personalizować zawartość. Korzystając z tej witryny, wyrażasz zgodę na używanie przez nas plików cookie. Polityka prywatności